AVR minimální vývojová deska AT89S51/S52, programátor
AVR AT89S51/S52 univerzální programovací adaptér/minimum development board
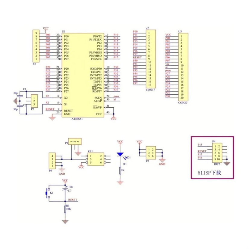
Podporované modely mikrokontrolérů: zařízení řady STC89C52 STC12C5A60S2 STC11/10x series AT89S52 atd.
Upozornění: Toto je programovací adaptér, nikoli programátor!
Specifikace:
- Integrované rozhraní pro stahování ISP 10pin, snadné stahování mikrokontroléru AT89S52.
- Podporuje následující řaday mikrokontrolérů: STC89C52 STC12C5A60S2 STC11/10x series AT89S52
- Krystalový oscilátor (výchozí konfigurace 11.0592MFz)
- Rozměry: 4,1 cm * 8,9 cm










