PLF12B Spínaný napájecí zdroj AC-DC 220V 12V/1A 1A
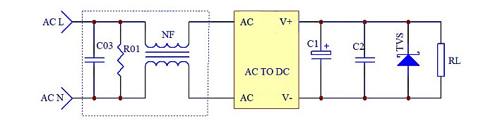
Funkční modul síťového spínaného napájecího zdroje
Specifikace:
- Model: PLF12B
- Výstupní napětí/proud:
- 5V/2A
- 12V/1A
- Přesnost výstupního napětí: ± 1%
- Vstupní napětí: 100–240V~/50–60Hz
- Izolační výdržné napětí: 3000Vac
- Rozměry: 6.6*3*2.2cm






