S-DTY jednofázový AC regulátor napětí 220/380VAC
S-DTY jednofázový AC plně izolovaný modul pro regulaci napětí, pro průmyslové použití, 0-220VAC nebo 380VAC až do 390A
- Plně izolovaný
- Ovládání pomocí potenciometru, napětí a proudu
- Zátěžový proud: 10-400 A
- Zabudované RC
- Vynikající lineární výstup
- Vysoká spolehlivost
Specifikace:
- Typ: S-DTY
- Zátěžové napětí: 220VAC nebo 380VAC
- Zátěžový proud: 10A, 15A,20A,25A,40A,50A,60A,80A, 100A, 120A..400A
- Ovládání: potenciometr 330KΩ 2W (WTH118-1A-470K2W), napětí nebo proudu
- Optoizolace: ANO
- Maximální únik proudu při vypnutém stavu: 2mA
- Maximální pokles napětí při zapnutém stavu: 1.5V
- Dielektrická síla (vstup, výstup na základ): 2500Vrms
- Hmotnost (přibližně): 450g
- Provozní teplota: -20°C~80°C
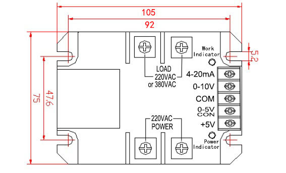
- Rozměry (mm): 105L x 75W x 40H mm
- Certifikace: CE
- Výrobeno: Čína
Křivka:

Rozměry a schéma zapojení:


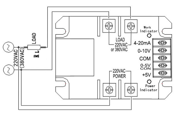
Způsoby zapojení vstupů:

Číslo modelu a parametry:
| Model | Výkon/zátěž 220V | Chladič | Ventilátor | |
| Odporová | Induktivní | |||
| S-DTY220D10P | 1kW | 0.5kW | ne | ne |
| S-DTY220D40P | 4kW | 2kW | ne | ne |
| S-DTY220D75P | 6kW | 3kW | H-150 | ne |
| S-DTY220D120P | 8.5kW | 4.5kW | Y-80 | doporučuje se |
| S-DTY220D190P | 14kW | 7kW | Y-150 | doporučuje se |
| S-DTY220D290P | 21kW | 10kW | Y-150 | doporučuje se |
| S-DTY220D350P | 25kW | 12.5kW | Y-150 | doporučuje se |
Kdy je vhodné tento regulátor použít:
- Tento regulátor není vhodný pro úsporu energie a LED osvětlení, televizory, počítače, hudební přehrávače nebo jiné přístroje, které obsahují impulzní napájecí zdroje a/nebo usměrňovače nebo jiné elektronické součástky. Tento regulátor není vhodný pro asynchronní motory s motorovým (startovacím) kondenzátorem
- Běžné žárovky, ohřívače, ventilátory, ventilační systémy, jednofázové motory, páječky apod.
Jak vybrat správný regulátor:
U čistých odporových zátěží násobte provozní proud třemi. Příklad: (2,2kW/220V) * 3 = 30, takže nejvhodnější model bude 40A - S-DTY220D40P
U indukčních zátěží (motory) násobte provozní proud pěti. Příklad: (5kW/220V) * 5 = 113, takže nejvhodnější model bude 120A - S-DTY220D120P
Chlazení:
Aby se modely s výkonem 40A, 60A, 80A, 100A a 120A nepřehřívaly a pracovaly správně, je nutné použít chladič. Modely od 40A a více jsou dodávány včetně chladiče.
Nepoužívejte modely s hodnotou vyšší než 40A, aniž by byly chlazeny!
POZNÁMKA:
- Vstupní a výstupní terminály nejsou izolovány, při použití buďte opatrní!
- Pokud je zatížení vyšší než 25A, musíte namontovat chladič, pokud je vyšší než 40A, musíte přidat větrák.
Obsah balení::
- regulátor napětí typu S-DTY
- chladič pro modely 40A a vyšší






Chladiče:











